FK -5112 novec -1230 Καθαρός τύπος συστήματος σβήνει μονάδα συστήματος

Περιγραφή προϊόντων
Το FK -5-1-12/Novec 1230 είναι ένα άοσμο, άχρωμο, υγροποιημένο συμπιεσμένο αέριο. Αποθηκεύεται ως υγρό και διανέμεται στον κίνδυνο ως άχρωμο, ηλεκτρικά μη παραγωγικό ατμό που είναι σαφής και δεν αποκρύπτει την όραση. Δεν αφήνει κανένα υπόλειμμα και έχει αποδεκτή τοξικότητα για χρήση σε κατεχόμενους χώρους σε συγκέντρωση σχεδιασμού. Το FK -5-1-12/Novec 1230 σβήνει μια πυρκαγιά από ένα συνδυασμό χημικών και φυσικών μηχανισμών.
Το FK -5-1-12/Novec 1230 παρέχει εξαιρετική πυροπροστασία σε ένα ευρύ φάσμα εφαρμογών από ευαίσθητο ηλεκτρικό εξοπλισμό σε βιομηχανικές εφαρμογές χρησιμοποιώντας εύφλεκτα υγρά. FK -5-1-12/Novec 1230 Ο πράκτορας χρησιμοποιείται στα συνολικά συστήματα καταστολής πυρκαγιάς πλημμύρας.
Το FM -200 δεν λειτουργεί μετατοπίζοντας το οξυγόνο και είναι ασφαλής για χρήση σε κατεχόμενους χώρους χωρίς φόβο στέρησης οξυγόνου.

Συστατικά του Pipe Network FK -5-1-12/Novec 1230 Συστήματα καταστολής πυρκαγιάς
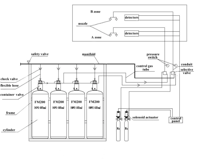
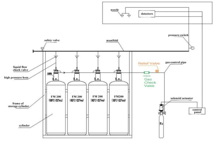
1. Κύλινδρος αποθήκευσης: κύλινδρος, βαλβίδα δοχείου (με πιλοτική βαλβίδα, δείκτη πίεσης), σωλήνα βουτιά, κλπ.
2. Βαλβίδα ελέγχου υγρού: Βεβαιωθείτε ότι ο παράγοντας καταστολής πυρκαγιάς ενός τρόπου, για να αποφευχθεί η πίσω ροή.
3. Σωλήνας υψηλής πίεσης: Συνδέστε τη βαλβίδα κυλίνδρου και τη βαλβίδα ελέγχου υγρού.
4. Βαλβίδα ασφαλείας: τοποθετημένη στην πολλαπλή για την ανακούφιση της υψηλότερης πίεσης.
5. Βαλβίδα επιλογής: Οδηγός παράγοντα καταστολής πυρκαγιάς σε διαφορετικό δίκτυο σωλήνων διανομής.
6. Φιάλη αερίου εκκίνησης: μπουκάλι, βαλβίδα δοχείου, συσκευή ηλεκτρομαγνητικής κίνησης, μετρητής πίεσης.
7. Βαλβίδα ελέγχου αερίου: Βεβαιωθείτε ότι η ροή ενός τρόπου εκκίνησης αερίου, για να αποφευχθεί η πίσω ροή.
8. Βαλβίδα υψηλής σφράγισης χαμηλής διαρροής: Για συσσωρευμένη απελευθέρωση αερίου εκκίνησης έτσι ώστε να αποφευχθεί η δυσλειτουργία του συστήματος.
9. Ακροφύλα εκκένωσης: τοποθετημένο στο τέλος του δικτύου σωλήνων για να εκφορτώσει τον παράγοντα καταστολής πυρκαγιάς.
10. Σύστημα ελέγχου: Πίνακας ελέγχου, ανιχνευτής καπνού και θερμότητας, συναγερμός πυρκαγιάς, φως δείκτη εκφόρτισης κ.λπ.
Πλεονέκτημα:
* Πολύ γρήγορη καταστολή της πυρκαγιάς. Προσέξτε το επίπεδο κατάσβεσης μικρότερο ή ίσο με 10s.
* Ασφαλής για τους ανθρώπους. Οι άνθρωποι είναι ασφαλείς όταν εκτίθενται στο FK -5-1-12/Novec 1230 επίπεδο εκκένωσης αερίου.
* Χαμηλή συγκέντρωση σβήνοντας. Σχεδόν όχι ασαφές στο όραμα αυτοπροσώπως εκκένωση.
* Εύκολο στον καθαρισμό. Δεν παραμένει υπολείμματα και ελαχιστοποιεί τη ζημιά σε ευαίσθητο εξοπλισμό.
* Φιλικό προς το περιβάλλον. Το δυναμικό εξάντλησης του μηδενικού όζοντος και το μηδενικό δυναμικό υπερθέρμανσης του πλανήτη.
* Απλή εγκατάσταση, με μικρό χώρο αποθήκευσης.

Παραμέτρους προϊόντος
| Είδος | Μοντέλο | Τόμος x Ποσότητα |
Ικανότητα (FK -5-1-12/Novec 1230) |
Πίεση εργασίας (20ºC) | Μέγιστη πίεση εργασίας (50ºC) | Ενεργοποίηση τάσης/ ρεύμα | Εύρος θερμοκρασίας λειτουργίας |
| 1 | GMQ4.2/90N-PRI | 90X1 | Λιγότερο από ή ίσο με 100,8 κιλά | 4.2MPa | 5.6MPa | DC24 V/1.2A | 0ºC-50ºC |
| 2 | GMQ4.2/120N-PRI | 120X1 | Λιγότερο από ή ίσο με 134,4 κιλά | 4.2MPa | 5.6MPa | DC24 V/1.2A | 0ºC-50ºC |
| 3 | GMQ4.2/150N-PRI | 150X1 | Λιγότερο από ή ίσο με 168kg | 4.2MPa | 5.6MPa | DC24 V/1.2A | 0ºC-50ºC |
| 4 | GMQ4.2/180N-PRI | 180X1 | Λιγότερο από ή ίσο με 201,6kg | 4.2MPa | 5.6MPa | DC24 V/1.2A | 0ºC-50ºC |
Αρχή λειτουργίας:
Όταν το πλήκτρο επιλογής λειτουργίας ελέγχου για τον αυτόματο συναγερμό πυρκαγιάς και τον ελεγκτή πυροσβεστικής, ο οποίος έχει οριστεί στη θέση "αυτόματης", το σύστημα πυροσβεστικής πυρκαγιάς βρίσκεται υπό αυτόματο έλεγχο. Όταν μια πυρκαγιά εμφανιστεί στην περιοχή προστασίας, οι ανιχνευτές θερμοκρασίας και καπνού θα στείλουν ένα σήμα πυρκαγιάς μέσω του αυτόματου συναγερμού πυρκαγιάς και τον έλεγχο σβήνοντας μετά τη λογική ανάλυση της συσκευής, στέλνει ένα συνδυασμένο σήμα συναγερμού ήχου και φωτός και στέλνει μια εντολή σύνδεσης ταυτόχρονα για να κλείσει τη συσκευή σύνδεσης. Μετά από καθυστέρηση, εκδίδεται μια εντολή πυρόσβεσης, ανοίγει η βαλβίδα εκκίνησης για να απελευθερωθεί το αέριο εκκίνησης και το αέριο εκκίνησης ανοίγει μέσω των βαλβίδων αγωγών και των εμπορευματοκιβωτίων ελέγχου απελευθερώνουν τον πυροσβεστικό παράγοντα και εφαρμόζουν πυροσβεστική.

Εφαρμογές προϊόντων:
Μοντέλο 1 με βαλβίδα ζώνης

Μοντέλο Δύο χωρίς βαλβίδα ζώνης

Έχουμε επίσης τον τύπο του ντουλαπιού FK -5-1-12/ hfc -227 ea συνολικό σύστημα πλημμυρών, fk {}}}}/ hfc -227 ea πυροσβεστική συστήματα τύπου FK -5-1-12/ hfc {5}} EA EA extinguisher extinguisher extinguisher



• Τράπεζα θησαυρών
• Βιβλιοθήκες
• Καταστήματα βιβλίων
• Ηλεκτρονική επεξεργασία δεδομένων
• Τηλεφωνικές ανταλλαγές
• Κέντρα επικοινωνίας • Αίθουσα μετασχηματιστή και διακόπτη
• Ελέγχοι χώρων ελέγχου
• Εργαστήρια δοκιμής
• Αποθήκευση εύφλεκτων υγρών

Το εργαστήριό μας

